Описание модели
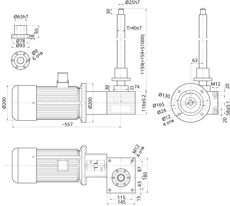
Электрический винтовой домкрат SJA50-R-V1-1000 представляет собой трехфазный электродвигатель, редуктор и винт, интегрированные в единый исполнительный механизм.
Электродвигатель оснащен встроенным тормозом.
Рабочий цикл домкрата 30%, максимум 3,3 минуты непрерывной работы в течение 10 минут. Модель рассчитана на работу при температуре от −20 °C до + 40 °C.

