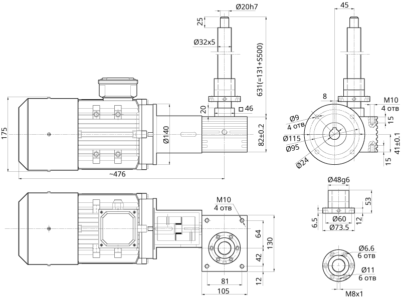
Описание модели
Электрический винтовой домкрат SJB20-R-V1-500 представляет собой трехфазный электродвигатель с редуктором и интегрированную шариковинтовую передачу. Единый исполнительный механизм обеспечивает повышенную точность, увеличенный КПД и срок службы. Электродвигатель оснащен встроенным тормозом. Корпус домкрата изготовлен из высокопрочного чугуна.
Рабочий цикл домкрата 50%. Модель рассчитана на работу при температуре от −10 °C до + 40 °C.

